| Part# | NCE60R540I |
| Type: | high-voltage N-channel IGBT field-effect transistor |
| Manufactor | / |
| DC | NEW |
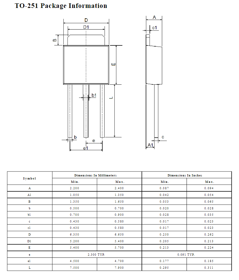
| Describe | TO251 |
| Supplier Device Packaging | REEL |














图片仅供参考| Part# | NCE60R540I |
| Type: | high-voltage N-channel IGBT field-effect transistor |
| Manufactor | / |
| DC | NEW |
| Describe | TO251 |
| Supplier Device Packaging | REEL |













